
Objektiv Computar H3Z4512CS-IR
Základní vlastnosti
Parametry objektivu
| Ohnisková vzdálenost |
4,5 až 12,5 mm |
| Světelnost |
F1.2–F16 |
| Ostření |
manuální |
| Irisová clona |
manuální |
| Zorné pole pro čip 1/2'' |
(H) 83°42'-30°6', (V) 61°18'-22°36' |
| Zorné pole pro čip 1/3'' |
(H) 61°18'-22°36', (V) 45°18'-17° |
| Zorné pole pro čip 1/4'' |
(H) 45°18'-17°, (V) 33°42'-12°42' |
| Zaostření |
0,3m až nekonečno |
| Typ objektivu |
CS - mount |
| Hmotnost |
66 g |

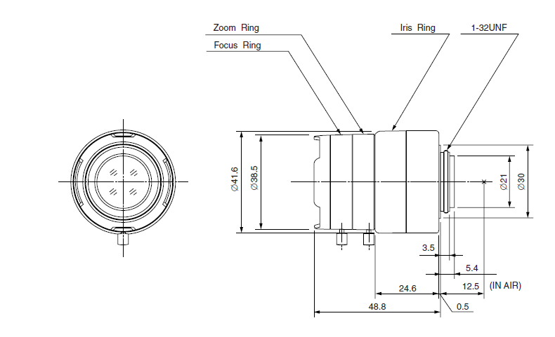
Objektiv Computar H3Z4512CS-IR - schematický
nákres
|